Produkt SI-MAGB2SMQD
Bezpečnostní systémy
Bezpečnostní spínače
magnetický
Ident.číslo: 3807139Altern. Obj.číslo : 807139
- bezkontaktní spínač
- zabezpečení proti neoprávněné manipulaci pomocí kódovaných magnetů
- pro provoz vyžaduje kódované magnety SI-MAGB2MM
- SIL 3 (IEC 61508)
- PL e (ISO 13849-1)
- 1 × rozpínací kontakt (NC)
- 1 × spínací kontakt (NO)

Všeobecné údaje
| EAN | 662488055714 |
| Tarifní číslo zboží | 85365019000 |
| Země původu | HU |
| Hmotnost | 22.68 g |
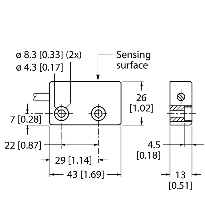
Technické údaje
| Funkce | magnetický bezpečnostní spínač |
| Pouzdro | kvádrové pouzdro |
| Rozsah | 3…14 mm |
| lze kaskádovat | ne |
| Výstupní funkce | spínací/rozpínací, bezpotenciálový |
| Elektrické připojení | kabel s konektorem, M8 x 1 |
| PL dle EN ISO 13849-1 | Level e |
| SIL acc. to IEC 61508 | 3 |
| Kategorie dle ISO 13849-1:2008 | 4 |
| Úroveň kódování / ochrana proti neoprávněné manipulaci | nízká |
| Materiál pouzdra | plast, termoplastický materiál |
| Okolní teplota | -25… +70 °C |
| Stupeň krytí | IP67 |

