Produkt VS8APFF15
Optický senzor
Reflexní snímač s pevným zacloněním pozadí
Ident.číslo: 3803441Altern. Obj.číslo : 803441
- připojení kabelem, 2 m, PUR
- Certifikát ECOLAB
- vysílací LED, červená
- napájecí napětí: 10…30 VDC
- vstup Teach
- spínací PNP výstup, přepínatelný

Všeobecné údaje
| EAN | 662488024192 |
| eCl@ss-Code (V5.1.4): | 27270904 -/- optosenzor se zacloněným pozadím |
| Tarifní číslo zboží | 85365019000 |
| Země původu | DE |
| Hmotnost | 36.29 g |
Technické údaje
| Funkce | senzor přiblížení |
| Druh provozu | potlačení pozadí, pevné |
| Pouzdro | kvádrové pouzdro |
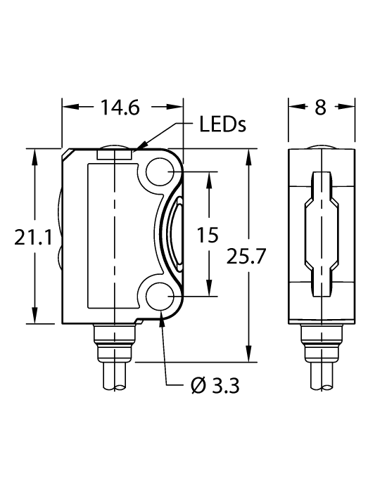
| Velikost | 14.6 x 8 x 25.7 mm, VS8 |
| Rozsah | 2…15 mm |
| Barva světla | červená |
| Napájecí napětí | 10…30 VDC |
| Výstupní funkce | spínací, PNP |
| Elektrické připojení | kabel |
| Délka kabelu | 2.0 m |
| Materiál pouzdra | plast, PUR, černá |
| Okolní teplota | -20… +60 °C |
| Stupeň krytí | IP67 |

