Produkt  RA-SAB-5-20

Příslušenství

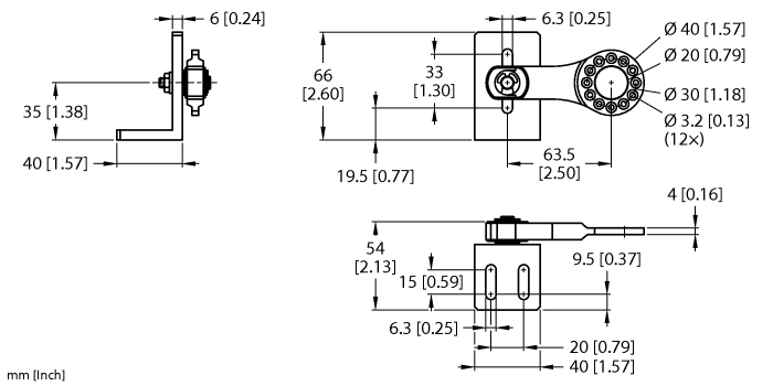
pružné rameno pro rotační senzory

pro rotační snímače s hřídelí

Ident.číslo: 100038292
    • pro rotační senzory s měřicím kolem
    • pro malé inkrementální senzory s pevnou hřídelí a přírubami 36,5 mm a 40 mm
    • doporučený přítlak 5 N — odpovídá zdvihu pružiny 6,5 mm
    • maximální přítlačná síla 20 N
    • materiál: hliník
#

Všeobecné údaje

EAN 4047101593266
eCl@ss-Code (V5.1.4): 27279090 -/- senzory (ostatní, neklasifikované)
Tarifní číslo zboží 76169990990
Země původu DE
Hmotnost 193 g

Technické údaje

Příslušenství pružné rameno pro rotační senzory
pro použití Rotační senzory

Select Country

Turck worldwide

to top