Produkt NCLS-WA1
Příslušenství
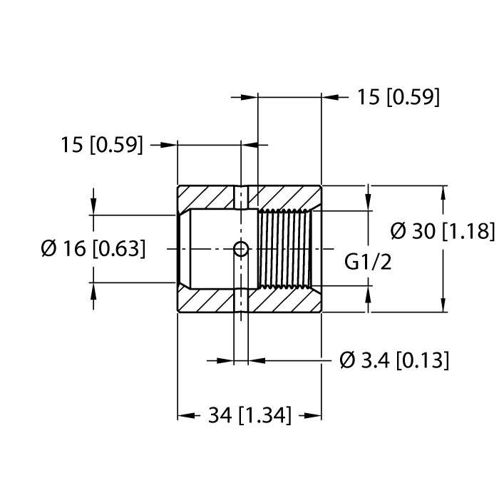
válcový návarek s kontrolním otvorem
pro kapacitní limitní snímače řady NCLS
Ident.číslo: 100004430- Návarek pro nádobu, pro limitní snímače NCLS
- HPC návarek č. 3
- v souladu s EHEDG (pouze při použití se senzorem)

Všeobecné údaje
| EAN | 4047101499421 |
| eCl@ss-Code (V5.1.4): | 27270102 -/- kapacitní senzor přiblížení |
| Tarifní číslo zboží | 73072910900 |
| Země původu | DE |
| Hmotnost | 117 g |
Technické údaje
| Příslušenství | Procesní adaptér |
| pro použití | kapacitní senzory |
| Procesní připojení | instalace přivařením |
| Provedení | vestavné |
| Velikost | 34 x 30 x 30 mm |
| Materiál pouzdra | nerez ocel, 1.4404 (316L) |
| Stupeň krytí | IP67 |

